The BNV81AE is a 9/16” OD tube medium pressure ported stop valve. It provides tight shut-off when closed via the T-bar handle.
The elastomeric stem seal design provides long term use without the need to adjust seal packings in service.
Combined with a minimised backlash design, the valve is particularly suited to pressure testing and other applications where reliable operation is essential.
Please contact our Sales department +44 (0)1202 896322
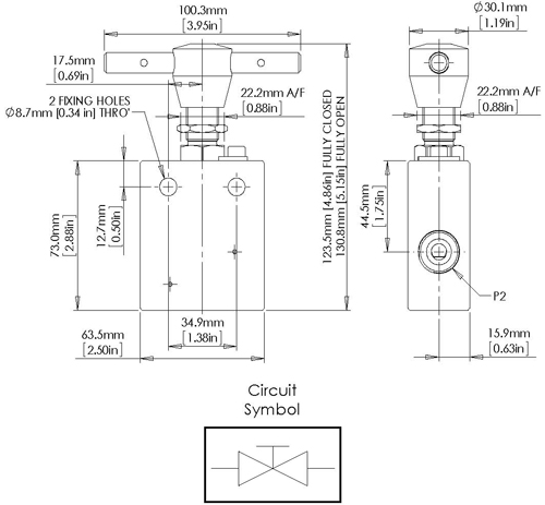
For full dimensional information click link to Download PDF Datasheet
| Valve Type: | BNV81AE |
|---|---|
| Porting/Connection Options: | 01: 2-way straight 02: 2-way angle 03: 3-way (2 inlets) 04: 3-way (2 outlets) 05: 3-way, 2 stem, block-and-bleed |
| Max. Working Pressure: | 1,379 bar (20,000 psi) |
| Port Size: | 9/16” OD medium pressure |
| CV Value: | Up to 1.45 |
| Dry Weight: (kg) : | 1.27 kg (2.80 lb) |
| Working Temperature Range: | -45˚C to +120˚C |
| Seal Material: | Viton® - EPDM - Kalrez - Nitrile - Hydrogenated Nitrile |
| Working Media: (std) : | Liquids only |