The BNV50-G is a 1/2” nominal bore stop valve. It provides tight shut-off when closed via the knurled handwheel and is soft seated allowing use with liquid or gas.
Coarse adjustment allows fast operation. The valve is designed for uni-directional service only.
Please contact our Sales department +44 (0)1202 896322
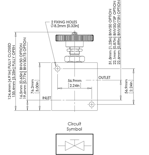
For full dimensional information click link to Download PDF Datasheet
| Valve Type: | BNV50-G |
|---|---|
| Porting/Connection Options: | P 1/2” BSPP female - N 1/2” NPT female - /75P 3/4” BSPP female - /75N 3/4” NPT female |
| Soft Seated Valve: | G |
| Max. Working Pressure: | 414 bar (6,000 psi) |
| Seal Material: | Viton® - EPDM - Kalrez - Nitrile - Hydrogenated Nitrile |
| CV Value: | Up to 2.1 |
| Dry Weight: (kg) : | 1.7 kg (3.7 lb) |
| Working Temperature Range: | -25˚C to +120˚C |
| Port Size: | 1/2" or 3/4" |
| Valve Seat Material: | Material: Soft Seat Torlon |
| Working Media: (options) : | Liquids and Gases |