Home
About BiS
Newsletters
Mission Statement
Technical Information
Quality Standards
Customer Care
Markets
Health, Safety & Environment
Technology
Terms and Conditions
Privacy Policy
Services
Design
Manufacturing
Testing
Search
Quote Request
Contacts
Partners
Directions
Subscribe
Solenoid Valves
Stop & Metering Valves
3 Ported Directional Control Valves
4 Ported Directional Control Valves
Check & Shuttle Valves
Pilot Operated Check Valves
Relief Valves
Excess Flow Valves
Filters
Pressure Sensing Valves
Pumps
Actuators & Solenoid Thrusters
DIAPHRAGM AIR ACTUATOR (A1)
DIAPHRAGM AIR ACTUATOR (A2)
DIAPHRAGM AIR ACTUATOR (A3)
DIAPHRAGM AIR ACTUATOR (A4)
PISTON HYDRAULIC ACTUATOR (H0)
PISTON HYDRAULIC ACTUATOR (H1)
PISTON HYDRAULIC ACTUATOR (H3)
MANUAL LEVER ACTUATOR (L)
MANUAL LEVER ACTUATOR (DL)
CAM ROLLER ACTUATOR (C0)
CAM PIN ACTUATOR (C1)
SOLENOID THRUSTER (STEX1)
SOLENOID THRUSTER (SW)
SOLENOID THRUSTER (HC)
SOLENOID THRUSTER (KC)
Manifold Solutions
Catalogue Download
T
: +44 (0) 1202 896 322
F
: +44 (0) 1202 896 718
Ask a Question
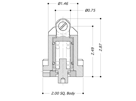
CAM ROLLER ACTUATOR (C0)
Stainless Steel Cam Roller Actuator for use with various actuated valve types.
STAINLESS STEEL (316 / 1.4404)
12:9
Product Catalogue Page
Download PDF
Technical Specification
Actuator Type:
C0
Dry Weight: (kg) :
0.6
Working Temperature Range:
-10°C to +120°C
Derivative options available