Derivative options available
6B37N-H-G-6K DIRECTIONAL CONTROL VALVE (6B37-H-G)
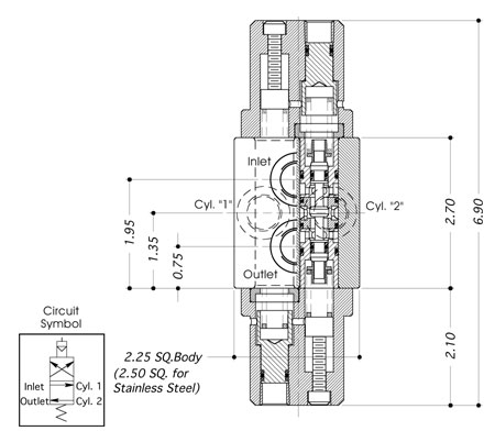
6B37: 3/8" M. St. 2/4 directional valve., N: service ports 3/8" NPT, H: Pilot pressure range 1,000 to 3,100 psi, G: Soft seated valve, Pilot connection: 1/8" BSPP female (standard), 6K: MWP 6,000 psi (liquid) 3,500 psi (gas), Viton seals: -10°C to +80°C, Interflow exists on changeover, Suitable for use with liquid or gas.
QTY RQD:
6B37P-H-G-6K DIRECTIONAL CONTROL VALVE (6B37-H-G)
6B37: 3/8" M. St. 2/4 directional valve., P: service ports 3/8" BSPP, H: Pilot pressure range 1,000 to 3,100 psi, G: Soft seated valve, Pilot connection: 1/8" BSPP female (standard), 6K: MWP 6,000 psi (gas) 3,500 psi (gas), Viton seals: -10°C to +80°C, Interflow exists on changeover, Suitable for use with liquid or gas.
QTY RQD:
S-6B37N-H-G-6K DIRECTIONAL CONTROL VALVE (6B37-H-G)
S-6B37: 3/8" 316 St.St. 2/4 directional valve., N: service ports 3/8" NPT, H: Pilot pressure range 1,000 to 3,100 psi, G: Soft seated valve, Pilot connection: 1/8" BSPP female (standard), 6K: M.W.P. (Valve) 6,000 psi Liquid 3,500 psi Gas, Viton seals: -10°C to +80°C, & should be operated simultaneously, Suitable for use with liquid or gas.
QTY RQD:
S-6B37P-H-G-6K DIRECTIONAL CONTROL VALVE (6B37-H-G)
S-6B37: 3/8" 316 St.St. 2/4 directional valve., P: service ports 3/8" BSPP, H: Pilot pressure range 1,000 to 3,100 psi, G: Soft seated valve, Pilot connection: 1/8" BSPP female (standard), 6K: M.W.P. (Valve) 6,000 psi Liquid 3,500 psi Gas, Viton seals: -10°C to +80°C, & should be operated simultaneously, Suitable for use with liquid or gas.
QTY RQD: