Derivative options available
 |
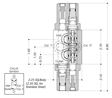
6B37N-H-10K DIRECTIONAL CONTROL VALVE (6B37-H)
6B37: 3/8" M. St. 2/4 directional valve., N: service ports 3/8" NPT, H: Pilot pressure range 1,000 to 9,000 psi, Pilot connection: 1/8" BSPP female (standard), 10K: M.W.P. (Valve) 10,000 psi Liquid, Viton seals: -10°C to +100°C, The two pilot ports are common and must, be operated simultaneously, Suitable for liquid use only.
|
QTY RQD: |
 |
6B37P-H-10K DIRECTIONAL CONTROL VALVE (6B37-H)
6B37: 3/8" M. St. 2/4 directional valve., P: service ports 3/8" BSPP, H: Pilot pressure range 1,000 to 3,100 psi, Pilot connection: 1/8" BSPP female (standard), 10K: M.W.P. (Valve) 10,000 psi Liquid, Viton seals: -10°C to +100°C, The two pilot ports are common and must, be operated simultaneously, Suitable for liquid use only.
|
QTY RQD: |
 |
S-6B37N-H-10K DIRECTIONAL CONTROL VALVE (6B37-H)
S-6B37: 3/8" 316 St.St. 2/4 directional valve., N: service ports 3/8" NPT, H: Pilot pressure range 1,000 to 9,000 psi, Pilot connection: 1/8" BSPP female (standard), 10K: M.W.P. (Valve) 10,000 psi Liquid, Viton seals: -10°C to +100°C, The two pilot ports are common and must, be operated simultaneously, Suitable for liquid use only.
|
QTY RQD: |
 |
S-6B37P-H-10K DIRECTIONAL CONTROL VALVE (6B37-H)
S-6B37: 3/8" 316 St.St. 2/4 directional valve., P: service ports 3/8" BSPP, H: Pilot pressure range 1,000 to 9,000 psi, Pilot connection: 1/8" BSPP female (standard), 10K: M.W.P. (Valve) 10,000 psi Liquid, Viton seals: -10°C to +100°C, The two pilot ports are common and must, be operated simultaneously, Suitable for liquid use only.
|
QTY RQD: |
| |
|
|